Call me back | My basket | Checkout | Add to email list

     You are here: Website » Knowledge base

« back to website

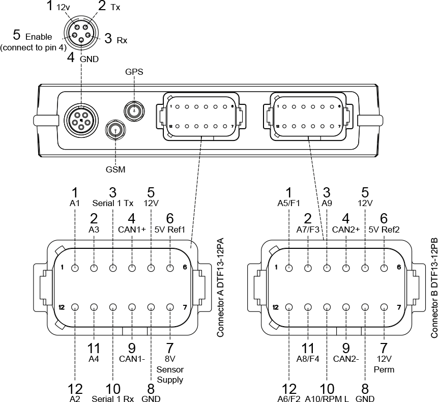
RTSS / Connections

RTSS Rear Connections

IMPORTANT: Unswitched power is required on pin 7 connector B.

This enables all data to be taken during a pit-stop, end of run data uploaded to the cloud, and remote configuration can be done before power off. After 10 minutes the internal relay disconnects pin 7 and no power is taken from supply.

If unswitched power is not available a 9.6v NiMH 2500mAh battery option required. Battery is charged via RTSS automatically when ignition is on.

Page last modified on April 26, 2023, at 01:48 PM