Call me back | My basket | Checkout | Add to email list

     You are here: Website » Knowledge base

« back to website

MovementSensors / ThrottleAngle

Throttle Angle Sensor

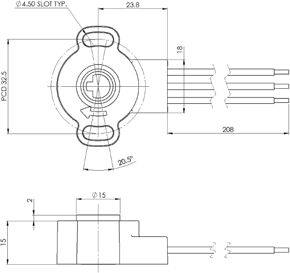
Rotary position sensor specifically designed for sensing throttle position. 97° rotation position sensing range. The hollow rotor allows insertion of a ‘D’ profile shaft from either side to give clockwise/anticlockwise rotation measurement.

Technical Data
ConstructionConductive Plastic Track with multi fingered wipers, ensuring excellent contact under vibration
Life Expectancy5 x 10^6 cycles
Mechanical Rotation112° max
Electrical Rotation97° +/- 3°
Supply Voltage5 - 24 VDC
Resistance Value5 kΩ +/-20%
Environmental SealingIP66
Temperature Range-25 to +125ºC (Peaks of 150 ºC for 15 mins)
Cable Type1 core silicone wire, 20 AWG. 20cm long


Installation

There are 3 leads that come from the sensor:
Red = +5v reference supply from the Data Logger
Black = ground connection on the Data Logger
White = Signal, connect to an analogue input.
A user defined variable can be entered into the analysis software to convert the voltage into an actual angle or throttle percentage if required.

Page last modified on November 04, 2016, at 04:32 PM